. 24/7 Space News .
EPIDEMICS
A self-cleaning surface that repels even the deadliest superbugs
by Staff Writers
Hamilton, Canada (SPX) Dec 16, 2019

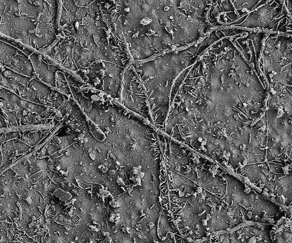
keeping it clean

A team of researchers at McMaster University has developed a self-cleaning surface that can repel all forms of bacteria, preventing the transfer of antibiotic-resistant superbugs and other dangerous bacteria in settings ranging from hospitals to kitchens.

The new plastic surface - a treated form of conventional transparent wrap - can be shrink-wrapped onto door handles, railings, IV stands and other surfaces that can be magnets for bacteria such as MRSA and C. difficile.

The treated material is also ideal for food packaging, where it could stop the accidental transfer of bacteria such as E. coli, Salmonella and listeria from raw chicken, meat and other foods, as described in a paper published by the journal ACS Nano.

The research was led by engineers Leyla Soleymani and Tohid Didar, who collaborated with colleagues from McMaster's Institute for Infectious Disease Research and the McMaster-based Canadian Centre for Electron Microscopy.

Inspired by the water-repellent lotus leaf, the new surface works through a combination of nano-scale surface engineering and chemistry. The surface is textured with microscopic wrinkles that exclude all external molecules. A drop of water or blood, for example, simply bounces away when it lands on the surface. The same is true for bacteria.

"We're structurally tuning that plastic," says Soleymani, an engineering physicist. "This material gives us something that can be applied to all kinds of things."

The surface is also treated chemically to further enhance its repellent properties, resulting in a barrier that is flexible, durable and inexpensive to reproduce.

"We can see this technology being used in all kinds of institutional and domestic settings," Didar says. "As the world confronts the crisis of anti-microbial resistance, we hope it will become an important part of the anti-bacterial toolbox."

The researchers tested the material using two of the most troubling forms of antibiotic-resistant bacteria: MRSA and Pseudomonas, with the collaboration of Eric Brown of McMaster's Institute for Infectious Disease Research.

Engineer Kathryn Grandfield helped the team verify the effectiveness of the surface by capturing electron microscope images showing that virtually no bacteria could transfer to the new surface.

The researchers are hoping to work with a commercial partner to develop commercial applications for the wrap.


Related Links
McMaster University
Epidemics on Earth - Bird Flu, HIV/AIDS, Ebola


Thanks for being there;
We need your help. The SpaceDaily news network continues to grow but revenues have never been harder to maintain.

With the rise of Ad Blockers, and Facebook - our traditional revenue sources via quality network advertising continues to decline. And unlike so many other news sites, we don't have a paywall - with those annoying usernames and passwords.

Our news coverage takes time and effort to publish 365 days a year.

If you find our news sites informative and useful then please consider becoming a regular supporter or for now make a one off contribution.
SpaceDaily Monthly Supporter
$5+ Billed Monthly


paypal only
SpaceDaily Contributor
$5 Billed Once


credit card or paypal


EPIDEMICS
China confirms fourth plague case
Beijing (AFP) Nov 28, 2019
A fourth person in northern China has been diagnosed with the plague this month, officials confirmed, as a flea and rat eradication campaign was carried out by local government. The Ulanqab government in central Inner Mongolia said on Wednesday that a herder who had been diagnosed with bubonic plague was currently being treated in isolation and was in a stable condition. Another person was diagnosed with bubonic plague in Inner Mongolia's Xilin Gol league on November 16, more than 400 kilometres ... read more

Comment using your Disqus, Facebook, Google or Twitter login.



Share this article via these popular social media networks
del.icio.usdel.icio.us DiggDigg RedditReddit GoogleGoogle

EPIDEMICS
Child's play: Coding booms among Chinese children

Novel camera gives scientists "Night Vision" from ISS

Russian cargo ship docks at International Space Station

ISS-bound Progress MS-13 lifts off from Baikonur Cosmodrome

EPIDEMICS
Jeff Bezos's Blue Origin rocket makes 12th test flight

NASA gears up to test fire new SLS moon rocket in Mississippi

NASA says core stage of next Moon rocket now ready

SpaceX Dragon docks with International Space Station

EPIDEMICS
Two rovers to toll on Mars Again in 2020

Mars: we may have solved the mystery of how its landslides form

Solving fossil mystery could aid quest for ancient life on Mars

Global storms on Mars launch dust towers into the sky

EPIDEMICS
China sends six satellites into orbit with single rocket

China launches satellite service platform

China plans to complete space station construction around 2022: expert

China conducts hovering and obstacle avoidance test in public for first Mars lander mission

EPIDEMICS
Nilesat-301 satellite to be built by Thales Alenia Space

SpaceChain sends blockchain tech to ISS

SpaceChain sends blockchain tech to ISS for Fintech market

First launch of UK's OneWeb satellites from Baikonur now set for 30 Jan

EPIDEMICS
Tiny magnetic particles enable new material to bend, twist, and grab

Liquid flow is influenced by a quantum effect in water

New aluminium hydroxide stable at extremely high pressure

Tiny quantum sensors watch materials transform under pressure

EPIDEMICS
Hidden giant planet around tiny white dwarf star

Scientists figure out how accumulating dust particles become planets

Exoplanet axis study boosts hopes of complex life, just not next door

How planets may form after dust sticks together

EPIDEMICS
The PI's Perspective: What a Year, What a Decade!

Reports of Jupiter's Great Red Spot demise greatly exaggerated

Aquatic rover goes for a drive under the ice

NASA scientists confirm water vapor on Europa







The content herein, unless otherwise known to be public domain, are Copyright 1995-2026 - SpaceDaily. All websites are published in Australia and are solely subject to Australian law and governed by Fair Use principals for news reporting and research purposes. By using our websites you consent to cookie based advertising. If you do not agree with this then you must stop using the websites from May 25, 2018. Privacy Statement. Additional information can be found here at About Us.